c

RGB-C

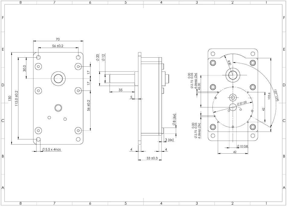
Our compact and reliable gearbox is designed to deliver high performance with a wide range of applications. It supports different motor combinations such as synchronous motors, BLDC motors, stepper motors, and DC geared motors. The gearbox offers both spur and helical gear options, ensuring smooth and efficient power transmission. With a maximum torque of 20 Nm and gear ratios ranging from 25/2 to 375, it provides flexibility for various speed and torque requirements. The hardened Ø12 X 25 mm output shaft with D-shape milling ensures durability and compatibility, while the plastic body with a metal plate offers a strong yet lightweight design. This gearbox can handle axial thrust up to 60 N and lateral force up to 80 N, making it suitable for demanding conditions. It also features minimal play (0.3 mm axial and 84 µm radial) for precise operation. The gearbox operates reliably in a wide temperature range of -40°C to +100°C and comes with an IP44 enclosure rating for protection against dust and splashes. Compact in size (70 x 130 x 40 mm) and weighing 550–650 g, it is easy to integrate into any system with flexible mounting options
Technical Data
Specification Units Details
Gear Ratio RPM 25/2 to 375
Maximum Torque Nm 20 (max)
Height mm 40 mm (max)
Output Shaft mm Ø12 x 25 with D-shape milling (custom available on request)
Dimensions mm 70 x 130 x 40
Weight gm 550 ~ 650 (Depend on gear train)
Motor Combination Synchronous motors, BLDC motors, PM stepper motors, and DC geared motors
Mounting Any mounting type supported
Gear Type Spur or Helical
Housing Material Plastic body with metal plate
Type of Out-put shaft Harden
Axial Thrust (FA) Newton 60
Lateral Force Newton 80
Operating Temperature Range (°C) °C -40 to +100
Axial Play mm 0.3
Radial Play µm 84
Protection Rating IP 44 enclosure

Dimensional Drawing

rgbc-dig

Get in Touch With Our Experts

Applications

  • Timers – Ensuring precise control over time-based operations.
  • Conveyor Systems – Used for smooth material handling in manufacturing and packaging lines.
  • Automated Gates and Doors – Delivering precise motion for opening and closing mechanisms.
  • Chart Recorders – Driving recording mechanisms for accurate data logging.
  • Potentiometer Drives – Providing smooth adjustment and calibration functions.
  • Robotics – Enabling accurate positioning and movement in robotic arms.
  • Light Displays – Enabling controlled movement in display mechanisms.
  • Hour Meters – Tracking machine operating hours reliably.
  • Printing Machines – Maintaining synchronization for high-quality printing.
  • Cam Timers – Coordinating sequential operations in automated systems.
  • Programming Devices – Supporting positioning and control functions.
  • Control Instrumentation – Enhancing accuracy and consistency in monitoring equipment.
  • Medical Equipment – Supporting motion control in diagnostic and treatment devices.