p

PSGB-A

The Precision Spur Gearbox is a compact and reliable gear solution designed for applications requiring high precision, durability, and efficiency. Built with a combination of metal plastic & sintered spur gears and hardened steel shafts, it ensures long service life while maintaining smooth and quiet operation. The gearbox comes in a plastic dust cover housing with a metal plate, making it lightweight yet robust for industrial and commercial use.
Technical Data
Specification Units Technical Details
Gear Ratio RPM 10 : 1 up to 50000 : 1 (As per the requirements)
Torque Capacity Ncm or Nm 100 Ncm (approx. 1.0 Nm) (Depending on gear trains ratios)
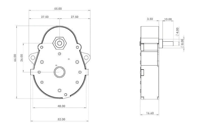
Dimensions mm 55 × 66 × 16
Output Shaft mm Ø 4 mm × 10 length (Possible to modify as per requirements)
Weight gm 60 ~ 90
Compatible Motors Synchronous motors, BLDC motors, PM stepper motors, DC geared motors
Mounting Standard flange mounting
Gear Type Metal and plastic spur gears as per requirements
Housing Plastic body with metal plate
Out-Put Shafts Hardened steel shafts included
Axial Thrust N 20
Lateral Force N 60
Operating Temperature Range °C -15 to +60
Protection Rating IP 40 enclosure

Dimensional Drawing

psgb-dig1
psgb-dig

Get in Touch With Our Experts

Applications

Our products and solutions are widely used across multiple industries and specialized applications, including

  • Instrumentation – Delivering precise motion and control for measurement and testing equipment.
  • Diamond Machinery – Supporting high-accuracy and durable mechanisms required in diamond cutting and polishing machines.
  • Peristaltic Pumps – Providing reliable drive solutions for continuous fluid transfer in laboratory, industrial, and medical uses.
  • Motorized Displays – Enabling smooth, automated movement in advertising displays, kiosks, and presentation systems.
  • Programming Devices – Ensuring accurate sequencing and timing functions for industrial automation.
  • Medical Equipment – Offering compact and dependable drive systems for diagnostic and therapeutic devices.
  • Valves and Actuators – Powering precision control in fluid handling, HVAC, and industrial process applications.
High-Performance Gearbox for Stepper Motor, BLDC Motor & DC Motor

PSGB-A Precision Spur Gearbox

he PSGB-A Precision Spur Gearbox is a compact, reliable, and high-accuracy gearbox designed for demanding motion control applications. This gearbox works perfectly as a stepper motor gearbox, gearbox for BLDC motor, and gearbox for DC motor, where precision, smooth output, and long life matter.

Automach Gear designs the PSGB-A gearbox for industries that need stable speed reduction, controlled torque, and quiet operation in a compact size.

Designed for Precision Motion Control

Why Choose PSGB-A Gearbox for Motors?

The PSGB-A spur gearbox delivers consistent output speed and controlled torque. It suits applications that need accuracy and repeatability.

  • High precision spur gear design
  • Compact and lightweight construction
  • Smooth and low-noise performance
  • Long service life with minimal maintenance
  • Ideal gearbox for stepper motor, BLDC motor, and DC motor applications

Robust Design & Construction

Built for Long-Term Performance

Automach Gear designs the PSGB-A gearbox with proven materials and precision manufacturing.

Construction highlights

  • Metal, plastic, and sintered spur gears
  • Hardened steel output shafts
  • Plastic dust cover housing with metal plate
  • Compact and strong design

This construction ensures durability, efficiency, and smooth operation in real-world applications.

Gearbox for Stepper Motor Applications

The PSGB-A works as a high-quality stepper motor gearbox for applications that need precise speed reduction and stable positioning.

Benefits for stepper motors

  • Improves torque at low speeds
  • Maintains accurate step positioning
  • Reduces vibration and noise
  • Supports continuous and intermittent duty

This gearbox for stepper motor suits automation systems, programming devices, and medical equipment where motion accuracy is critical.

Gearbox for BLDC Motor

BLDC motors need efficient and quiet gearboxes. The PSGB-A performs well as a gearbox for BLDC motor, delivering smooth torque transmission and stable output speed.

Why PSGB-A for BLDC motors?

  • Supports wide gear ratio range
  • Handles axial and lateral loads
  • Compact size for space-limited designs
  • Smooth operation for continuous use

This makes it suitable for motorized displays, pumps, and industrial automation systems.

Gearbox for DC Motor

The PSGB-A also functions as a reliable gearbox for DC motor applications. It helps control speed while increasing torque output.

Key benefits

  • Stable performance under load
  • Long-lasting hardened steel shafts
  • Lightweight housing for easy integration
  • Suitable for industrial and commercial use

OEMs prefer this DC motor gearbox for equipment that needs consistent performance over long operating hours.

Customisation Options Available

This gearbox for stepper motor suits automation systems, programming devices, and medical equipment where motion accuracy is critical.

  • Custom gear ratios
  • Modified output shaft dimensions
  • Motor-specific mounting
  • Material selection based on load and environment

Why Buy Gearbox from Automach Gear?

Automach Gear stands out among helical gear manufacturers in Pune due to:

Proven gearbox manufacturing experience

Strong engineering support

Consistent quality control

Reliable supply for OEMs and EPCs

Application-based technical guidanc

Get a Quote for PSGB-A Gearbox

Looking for a stepper motor gearbox, gearbox for BLDC motor, or gearbox for DC motor?